Fläktwoods RDAB FTX aggregat
Ett FTX-aggregat med korsströmsvärmeväxlare som placerades på vinden. Systemet var vanligt i villor på 1980- och 90-talet.
Krävde även en avloppsanslutning för att hantera kondens från värmeväxlaren.
Swegon CASA R5-H
Genom att byta ut FTX-aggregatet mot ett modernt aggregat med en roterande värmeväxlare och energisparande EC-motorer, så kan du spara mer än 4000 kWh i energi per år.
Aggregatet kräver ingen avloppsanslutning då värmeväxlaren ej kondenserar.
Måttskisser
Den övre bilden visar måtten på Swegon CASA R5-H.
Den nedre bilden visar måtten på Fläktwoods RDAB.
Mer info om produkterna:
Swegon CASA R5-H
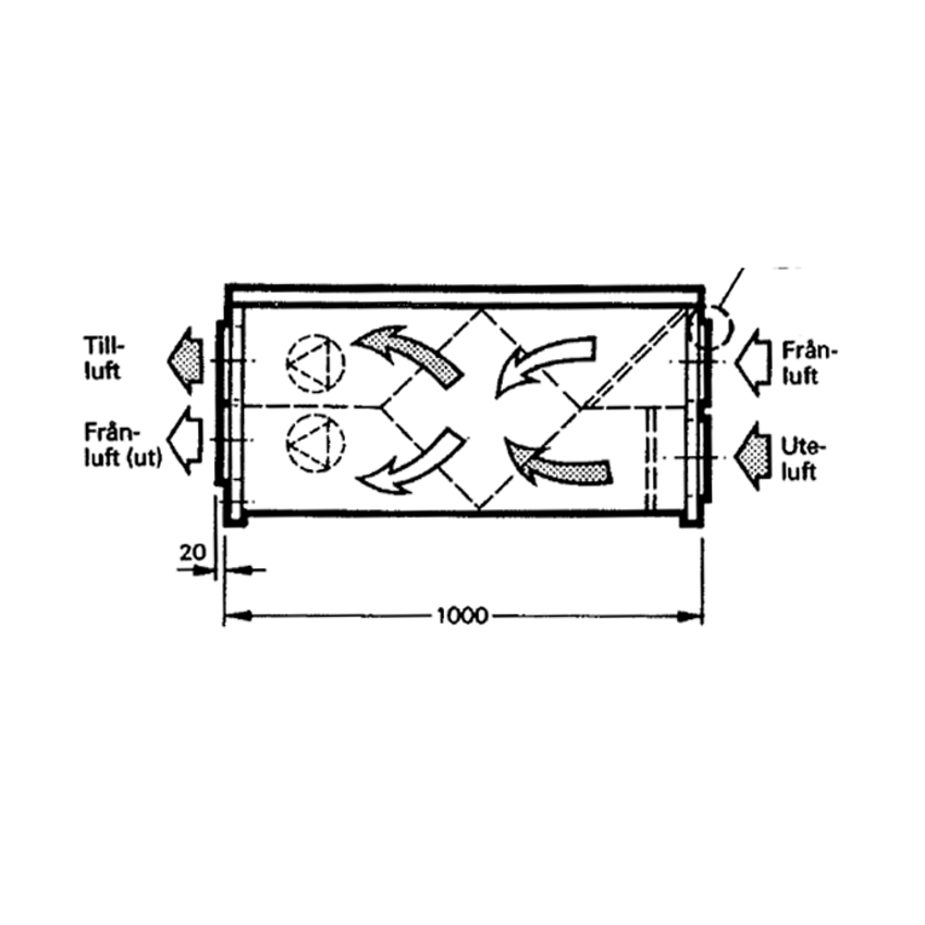
Kanalernas placeringar
På den övre bilden visas kanalanslutningarna på Swegon CASA R5-H aggregatet och på den nedre bilden visas anslutningarna på Fläktwoods RDAB.
Hitta installatör
Behöver du hjälp att installera? Eller är du kanske osäker på vilka produkter och lösningar som är bäst för dina behov i hemmet? Tala med en erfaren auktoriserad installatör så får du hjälp.
